
Miniature Bearings Australia
RR1125RS - Datasheet
MBA
Category Information
Rollers - DriveDrive Rollers. Neoprene 60 durometer black ground outside diameter drive rollers
Product Data
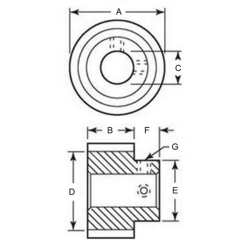
- Outside Diameter (A)
:
28.58
mm
(Equiv. 1.125 in.) - Roller Width (B)
9.53
mm
(Equiv. 0.375 in.) - Bore (C)
6.375
mm
(Equiv. 0.251 in.) - Sleeve Diameter (D) 19.050 mm
- Hub Diameter (E) 15.875 mm
- Hub Height (F) 7.938 mm
- Set Screw 8-32 UNC (2)
- Material Neoprene Rubber
Product Compliance and Data
Additional Resources
Cross References
- RR1125
- RR-1125


