
Miniature Bearings Australia
BP0286-0349-0381-BSHH3 - Datasheet
MBA
Category Information
Bushes - Unflanged - Bronze - SinteredSintered Bronze Unflanged Bushes. Oil impregnated sintered bronze bushes.
- An expanded range may be available on special order. Please enquire.
- Precision items show an allowable Load Speed Rating in Newtons times RPM.
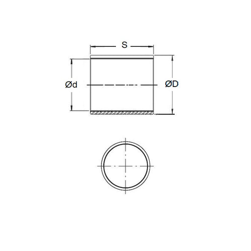
Product Data
- Nominal Inside Diameter (d)
:
28.575
mm
+ 0.076 / + 0.102
(Equiv. 1.125 in.) - Nominal Outside Diameter (D)
34.925
mm
+ 0.076 / + 0.102
(Equiv. 1.375 in.) - Length (s)
38.100
mm
+/- 0.127
(Equiv. 1.5 in.) - Material Bronze SAE 841 Sintered
Product Compliance and Data
Additional Resources
- DU Bush Material Information
- General Bushes Catalogue
- Sintered Bronze Products Catalogue
- Solid Bronze Bushes catalogue
Cross References
- 6391K426
- Oilite AA1319-13
- Oilube AA1319-13
- Symmco SS-3644-24
- BP028603490381BS
- BP028603490381BST
- BP028603490381BSH
- BP028603490381BSHH
- SS364424
- A7B4SP364412
- A7B4-SP364412
- AA131913


