
Miniature Bearings Australia
BP0286-0349-0254-BSTT - Datasheet
MBA
Category Information
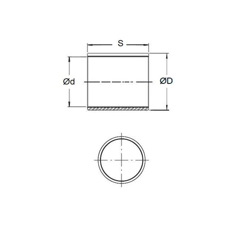
Bushes - Unflanged - Bronze - SinteredSintered Bronze Unflanged Bushes. Oil impregnated sintered bronze bushes.
- An expanded range may be available on special order. Please enquire.
- Precision items show an allowable Load Speed Rating in Newtons times RPM.
Product Data
- Nominal Inside Diameter (d)
:
28.575
mm
+ 0.025 / + 0.051
(Equiv. 1.125 in.) - Nominal Outside Diameter (D)
34.925
mm
+ 0.025 / + 0.051
(Equiv. 1.375 in.) - Length (s)
25.400
mm
+/- 0.127
(Equiv. 1 in.) - Material Bronze SAE 841 Sintered
Product Compliance and Data
Additional Resources
- DU Bush Material Information
- General Bushes Catalogue
- Sintered Bronze Products Catalogue
- Solid Bronze Bushes catalogue
Cross References
- Oilite AA1332-4
- Oilube AA1332-4
- AA13324


