
Miniature Bearings Australia
BF0254-0318-0381-BS4132TT - Datasheet
MBA
Category Information
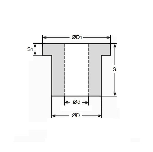
Bushes - Flanged - Bronze - SinteredSintered Bronze Flanged Bushes. Oil impregnated flanged sintered bronze bushes.
- An expanded range may be available on special order. Please enquire.
- Precision items show an allowable Load Speed Rating in Newtons times RPM.
Product Data
- Nominal Inside Diameter (d)
:
25.400
mm
+ 0.025 / + 0.051
(Equiv. 1 in.) - Nominal Outside Diameter (D)
31.750
mm
+ 0.025 / + 0.051
(Equiv. 1.25 in.) - Length (s)
38.100
mm
+/- 0.127
(Equiv. 1.5 in.) - Flange OD (D1) 41.28 mm
- Flange Thickness (S1) 3.18 mm
- Material Bronze SAE 841 Sintered
Product Compliance and Data
Additional Resources
- DU Bush Material Information
- General Bushes Catalogue
- Sintered Bronze Products Catalogue
- Solid Bronze Bushes catalogue
Cross References
- Oilite FF-1207-3
- Oilube FF-1207-3
- Oilite FF1207-3
- FF12073
- BF025403180381BSF4132UU
- BF025403180381BS4132
- BF025403180381BSF4132-UU


