
Miniature Bearings Australia
BP0254-0318-0318-BSHH4 - Datasheet
MBA
Category Information
Bushes - Unflanged - Bronze - SinteredSintered Bronze Unflanged Bushes. Oil impregnated sintered bronze bushes.
- An expanded range may be available on special order. Please enquire.
- Precision items show an allowable Load Speed Rating in Newtons times RPM.
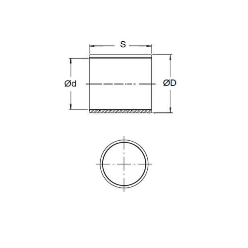
Product Data
- Nominal Inside Diameter (d)
:
25.400
mm
+ 0.051 / + 0.076
(Equiv. 1 in.) - Nominal Outside Diameter (D)
31.750
mm
+ 0.076 / + 0.102
(Equiv. 1.25 in.) - Length (s)
31.750
mm
+/- 0.127
(Equiv. 1.25 in.) - Material Bronze SAE 841 Sintered
Product Compliance and Data
Additional Resources
- DU Bush Material Information
- General Bushes Catalogue
- Sintered Bronze Products Catalogue
- Solid Bronze Bushes catalogue
Cross References
- 6391K284
- Oilite AA1232-3
- Oilube AA1232-3
- Bunting B-1620-10
- Bunting EP162020
- Daemar P-102-10
- BNT-193
- BNT193
- BP025403180318BS10
- BP025403180318BSHH1
- B162010
- QT1865
- QT186-5
- P10210
- A7B4-SP324010
- A7B4SP324010
- AA12323


