
Miniature Bearings Australia
BP0254-0318-0127-BSHH1 - Datasheet
MBA
Category Information
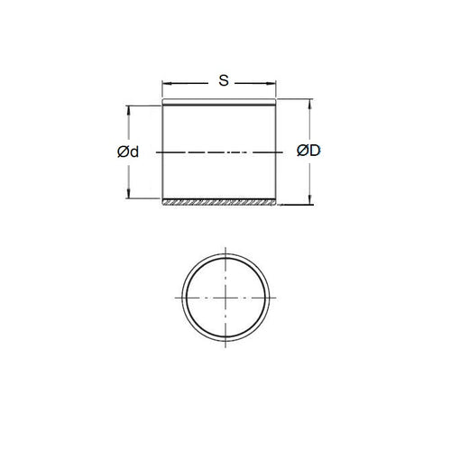
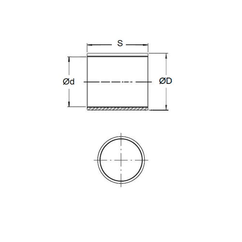
Bushes - Unflanged - Bronze - SinteredSintered Bronze Unflanged Bushes. Oil impregnated sintered bronze bushes.
- An expanded range may be available on special order. Please enquire.
- Precision items show an allowable Load Speed Rating in Newtons times RPM.
Product Data
- Nominal Inside Diameter (d)
:
25.400
mm
+ 0.051 / + 0.076
(Equiv. 1 in.) - Nominal Outside Diameter (D)
31.750
mm
+ 0.076 / + 0.102
(Equiv. 1.25 in.) - Length (s)
12.700
mm
+/- 0.127
(Equiv. 0.5 in.) - Material Bronze SAE 841 Sintered
Product Compliance and Data
Additional Resources
- DU Bush Material Information
- General Bushes Catalogue
- Sintered Bronze Products Catalogue
- Solid Bronze Bushes catalogue
Cross References
- 6391K281
- Bunting EP162008
- Daemar P-102-4
- BNT190
- BNT-190
- BP025403180127BSHH
- P1024
- A7B4SP324004
- A7B4-SP324004


