
Miniature Bearings Australia
BP0254-0302-0191-BSHT - Datasheet
MBA
Category Information
Bushes - Unflanged - Bronze - SinteredSintered Bronze Unflanged Bushes. Oil impregnated sintered bronze bushes.
- An expanded range may be available on special order. Please enquire.
- Precision items show an allowable Load Speed Rating in Newtons times RPM.
Product Data
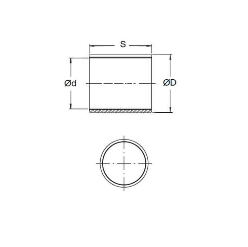
- Nominal Inside Diameter (d)
:
25.400
mm
+ 0.076 / + 0.102
(Equiv. 1 in.) - Nominal Outside Diameter (D)
30.163
mm
+ 0.038 / + 0.064
(Equiv. 1.188 in.) - Length (s)
19.050
mm
+/- 0.127
(Equiv. 0.75 in.) - Material Bronze SAE 841 Sintered
Product Compliance and Data
Additional Resources
- DU Bush Material Information
- General Bushes Catalogue
- Sintered Bronze Products Catalogue
- Solid Bronze Bushes catalogue
Cross References
- Bunting EP161912
- Daemar P-101-6
- Oilube P-101-6
- Symmco SS-3238-12
- BP025403020191BS
- BP025403020191BSH
- BP025403020191BSHH
- SS323812
- P1016
- A7B4-SP323806
- A7B4SP323806


