
Miniature Bearings Australia
QD-L-0254 - Datasheet
MBA
Category Information
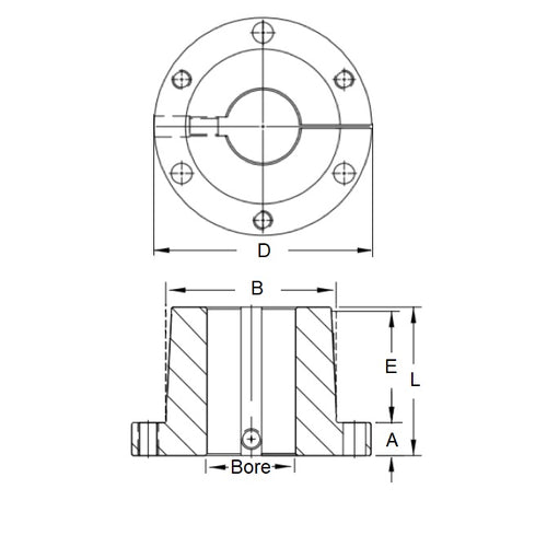
Bushings - QDQD Bushings. Used with QD type cast iron vee pulleys, timing pulleys, sprockets, poly vee pulleys and other parts designed specifically for use with a QD bushing
- Quick Disconnect (QD) bushing is a power transmission component with a split taper design that provides a strong, secure clamp on a shaft, allowing for easy installation and removal of sprockets, pulleys, and sheaves.
- Similar to a taperlock bush, but not interchangeable
- QD bushings like taperlock bushings allow for use of a single stock pulley for many applications with different shaft sizes
- Select the correct QD series to suit the pulley
Product Data
Deleted Item. Available while stocks last.
Please contact us first if you wish to use this item in a new design so we can check whether production can be resumed.
- Bore
:
25.400
mm
(Equiv. 1 in.) - Series L
- Flange OD (D)
41.28
mm
(Equiv. 1.625 in.) - Bolt Circle Dia. 63.50 mm
- Overall Length (L) 25.40 mm
- Bush Length (E) 23.02 mm
- Large End OD (B) 41.25 mm
- Flange Thickness (A) 2.38 mm
- Material Steel
Product Compliance and Data
Additional Resources
Cross References
- MASKA Lx1
- MSKL1
- MSK-L1


