
Miniature Bearings Australia
PBC-104RS - Datasheet
MBA
Category Information
Linear - Housings Pillow Block Frelon - Precision - ClosedClosed Precision Housings Pillow Block Frelon Linear. Single and double length
- Bearing is Frelon Gold -tm- encased in a flanged housing made from 6061-T6 aluminium. Double length has two bearings mounted internally.
- For rotating and linear motion.
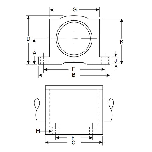
Product Data
- Bore Diameter
:
25.400
mm
+ 0.10 / + 0.05
(Equiv. 1 in.) - Centre Bore Height (A)
30.150
mm
(Equiv. 1.187 in.) - Base Width (B)
82.550
mm
(Equiv. 3.25 in.) - Overall Length (C) 152.400 mm
- Height (D) 55.575 mm
- Centre Bolt Holes Width (E) 73.025 mm
- Centre Bolt Holes Length (F) 114.300 mm
- Housing Width (G) 60.325 mm
- Bolt Hole Size 5.537 mm
- Flange Height (J) 9.525 mm
- Centre Bore Height (A) 49.225 mm
- Max Load Rating 3197.82 Kg
Product Compliance and Data
Additional Resources
Cross References
- Pacific PW16


