
Miniature Bearings Australia
CFF025-25-079C-E-R60 - Datasheet
MBA
Category Information
Mounts - Bobbin - FemaleFemale Bobbin Mounts. Vibration dampening
- An expanded range may be available on special order. Please enquire.
- Also see Bumpers
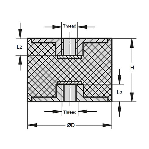
Product Data
- Nom. Body Diameter (D)
:
25.4
mm
(Equiv. 1 in.) - Body Height (H)
25.4
mm
(Equiv. 1 in.) - Thread Size 5/16 UNC (18 TPI)
- Shore Hardness 60
- Thread Depth (L2) 5.1 mm
- Compression Load 24.9 (55.8) Kg (lbs)
- Max Shear Load 3.629 Kg (lbs)
- Configuration Female to Female
- Material Natural Rubber
Product Compliance and Data
Additional Resources
Cross References
- VM-40-1
- VM401


