
Miniature Bearings Australia
CFF025-20-060M-R60 - Datasheet
MBA
Category Information
Mounts - Bobbin - FemaleFemale Bobbin Mounts. Vibration dampening
- An expanded range may be available on special order. Please enquire.
- Also see Bumpers
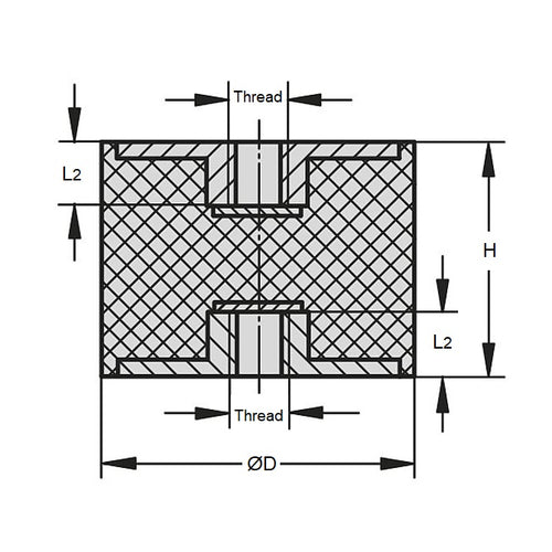
Product Data
- Nom. Body Diameter (D)
:
25.0
mm
(Equiv. 0.984 in.) - Body Height (H)
20.0
mm
(Equiv. 0.787 in.) - Thread Size M6x1
- Shore Hardness 60
- Compression Load 31 (66) Kg (lbs)
- Deflection 1.6 mm
- Max Shear Load 9.9 (22.2) Kg (lbs)
- Configuration Female to Female
- Material Natural Rubber
Product Compliance and Data
Additional Resources
Cross References
- Trelleborg 20-01291
- Misumi C-DD2520-6
- 2001291
- CDD25206
- C-ZY-6-25-20
- CZY62520


