
Miniature Bearings Australia
SP1-095-047B-024-254-CK - Datasheet
MBA
Category Information
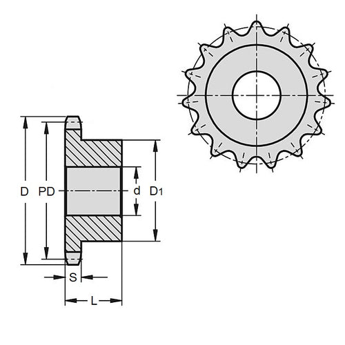
Sprockets - Roller Chain - Simplex - 35-1A - Carbon Steel Plain BoreCarbon Steel Plain Bore 35-1A Simplex Roller Chain Sprockets. Match with 9.53x4.7mm steel chain (35-1 ASA)
- This category will be discontinued when the remaining items are sold.
- All items are priced to quit.
- Backorders or orders for previously listed items in the category may still be possible - please enquire.
- Finish bored and keyed sprockets with black oxide finish. Hub diameters vary to suit bore.
- American Standard 35-1 - 3/8 inch
Product Data
Deleted Item. Available while stocks last.
Please contact us first if you wish to use this item in a new design so we can check whether production can be resumed.
- Number of Teeth : 24
- PCD
72.7
mm
(Equiv. 2.862 in.) - Hub Diameter (D1)
22.23
mm
(Equiv. 0.875 in.) - Overall Width (E) 50.80 mm
- Standard Number 35-1A
- Type / Rows Type 3
- Bore (d) 25.40 mm
- Locking Method Keyway and Set Screw
- Material Carbon Steel
Product Compliance and Data
Additional Resources
Cross References
- IDC 35B24F1


