Miniature Bearings Australia - MBA Minibearings
Miniature Bearings Australia

NR-0220-060-070-O-ZZ - Datasheet

MBA

Category Information

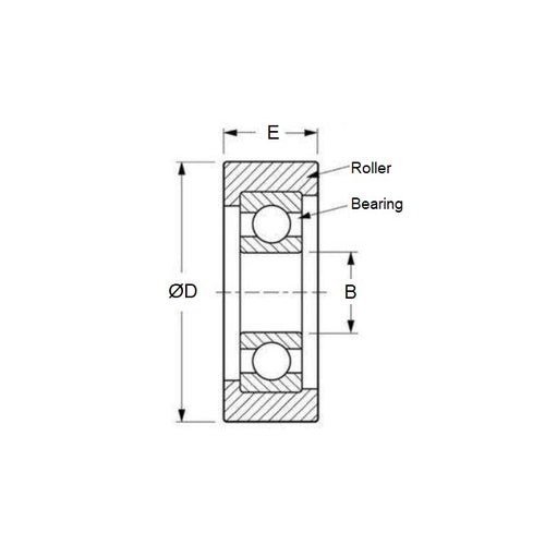
Rollers - Idler with Bearing - Nylon Covered

Nylon Covered Idler with Bearing Rollers. Nylon tyred rollers for heavy duty applications

  • An expanded range may be available on special order. Please enquire.
  • Nylon tyre (tire) covering a precision deep groove radial ball bearings

Product Data

  • Outside Diameter (A) : 22.00 mm +/- 1.0
    (Equiv. 0.866 in.)
  • Bore (d) 6.00 mm
    (Equiv. 0.236 in.)
  • Roller Width (B) 7.00 mm
    (Equiv. 0.276 in.)
  • Bearing Width (W) 6.00 mm
  • Nylon Colour Orange
  • Material Nylon Covered Chrome Steel
Country of Origin: TW

Product Compliance and Data

Additional Resources

    View full details