
Miniature Bearings Australia
RR1110RS - Datasheet
MBA
Category Information
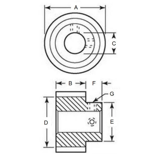
Rollers - DriveDrive Rollers. Neoprene 60 durometer black ground outside diameter drive rollers
Product Data
- Outside Diameter (A)
:
22.23
mm
(Equiv. 0.875 in.) - Roller Width (B)
9.53
mm
(Equiv. 0.375 in.) - Bore (C)
6.375
mm
(Equiv. 0.251 in.) - Sleeve Diameter (D) 12.700 mm
- Hub Diameter (E) 12.700 mm
- Hub Height (F) 6.350 mm
- Set Screw 8-32 UNC (4.17mm)
- Material Neoprene Rubber
Product Compliance and Data
Additional Resources
Cross References
- RR1110
- RR-1110


