
Miniature Bearings Australia
REF-220-R-CB-F - Datasheet
MBA
Category Information
Rod Ends - Female - Steel - Plain - Bronze LinedBronze Lined Plain Steel Female Rod Ends. Imperial and Metric / Carbon Steel. Also known as Heim Joints
- An expanded range may be available on special order. Please enquire.
- Dimensions not shown are available on request.
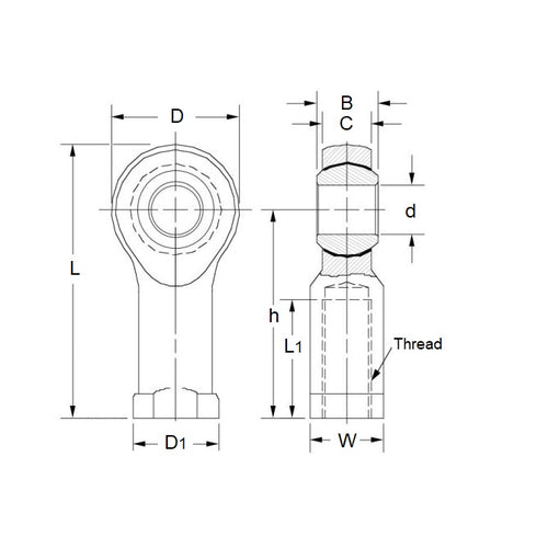
Product Data
- Eye Size (d1)
:
22
mm
(Equiv. 0.866 in.) - Overall Length (L)
109.00
mm
(Equiv. 4.291 in.) - Thread Size (T) M22x1.5 Right
- Thread Length (l2) 43.00 mm
- Head Width (W) 20.00 mm
- Eye Width (W1) 28.00 mm
- Head Diameter (D) 50.00 mm
- Centre Height (l1) 84.00 mm
- Grease Nipple Yes
- Body Width/Flange Width(W2/D3) 32.00 / 37.00 mm
- Material Bronze Lined Steel
Product Compliance and Data
Additional Resources
Cross References
- ASAHI JAF22
- KWK KF22
- IKO PHS22
- Nachi PHS-22
- NTN SFI-22
- BEF22RH
- BEF-22-RH
- SFI22


