
Miniature Bearings Australia
P-H-021-381FF-CB-N-0191U - Datasheet
MBA
Category Information
Pulleys - Inch Timing - 12.700mm Pitch H - 38.1mm Wide - Through BoreThrough Bore 38.1mm Wide 12.700mm Pitch H Inch Timing Pulleys. Timing Pulleys to suit H Series 12.700mm Pitch. Unfinished Bore.
- Timing pulleys combined with timing belts, provide power transmission without slippage.
- Timing pulleys are toothed pulleys used with timing belts to synchronize the movement of different mechanical components, ensuring precise timing and coordination.
- Some uses for timing pulleys include 3D printers, CNC machines, robotics and automation components, textile machinery, office equipment such as scanners and copiers, and medical devices requiring precise movement control.
- Steel and Cast Iron
- No grub screw
- Hub requires drilling and tapping
- Bore requires machining to finished size
Product Data
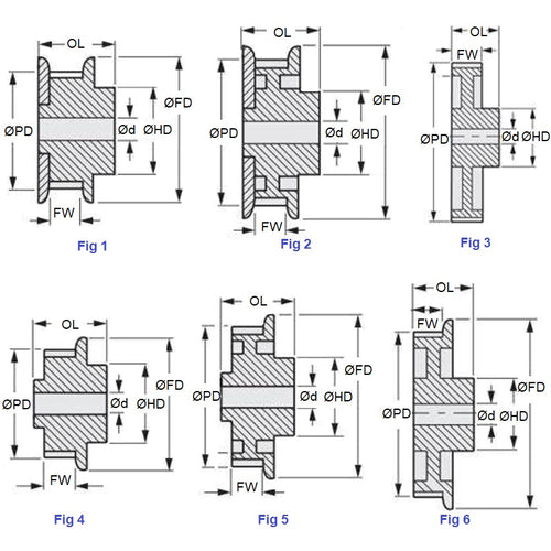
- Number of Teeth : 21
- Max Belt Width (W)
38.10
mm
(Equiv. 1.5 in.) - Bore (d)
19.050
mm
(Equiv. 0.75 in.) - Bore Type Unfinished
- Type 2
- Pitch Dia. (PD) 84.86 mm
- Flange Diameter (FD) 90.8 mm
- Overall Length 66.7 mm
- Hub Diameter (HD) 66.7
- Locking Type None
- Material Cast Iron
Product Compliance and Data
Additional Resources
Cross References
- Gates 21H150-6FS8
- 6495K99
- 21H1506FS8


