
Miniature Bearings Australia
UC204 - Datasheet
MBA
Category Information
Bearings - Spherical OD - Suits Cast Iron HousingsSuits Cast Iron Housings Spherical OD Bearings. Insert bearings with spherical OD for use with cast iron flanged and pillow block housings.
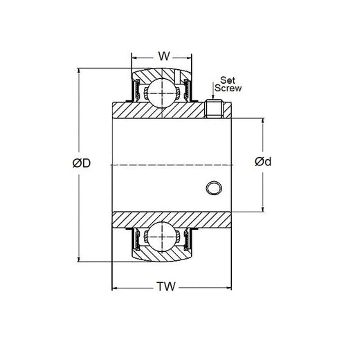
- Spherical OD bearings are similar to a standard single row ball bearing, except that the spherical OD allows for them to be swivel assembled into a spherical seating housing.
- Grub Screw locking.
- Preferred misallignment of no more than 2o, but can accommodate up to 6o.
- Also available with eccentric locking collars on request.
- Lubrication Hole to match Lubrication groove in housing.
Product Data
- Inside Diameter
:
20.000
mm
(Equiv. 0.787 in.) - Outside Diameter
47.000
mm
(Equiv. 1.85 in.) - Bearing Width
31.000
mm
(Equiv. 1.22 in.) - Suits Housing P204, F204, FL204, FC204, FB204
- Lubrication type Grease Hole in Bearing
- Material Chrome Steel
Product Compliance and Data
Additional Resources
- Catalogue: Ceramic Bearings Catalogue
- Catalogue: Plastic Bearings Catalogue
- Catalogue: Standard Bearings Catalogue
- General: Bearing Cleanliness
- General: Bearing Clearances
- General: Bearing Flanges & Snap Rings
- General: Bearing Retainers (Cages)
- General: General Loads Information
- General: Lubrication
- General: Prefix & Suffix Guide
- General: Static vs Dynamic Loads
- Materials: 316 Stainless
- Materials: CASSTOP Anti-Corrosion Bearing Material
- Materials: Ceramic vs Ceramic Hybrid
- Materials: Ceramic Bearings in Vibratory Applications
- Materials: Ceramic Hybrid Bearings in Vibratory Applications
- Materials: General Bearing Materials
- Materials: Magnetism & Bearings
- Precision: 316 Stainless & Plastic Bearing Tolerances
- Precision: ABEC Basic Information
- Precision: Precision Bearing Tolerances
- Problem Solving: Bearing Failure
- Problem Solving: Fatigue (L10 Life)
- Problem Solving: Noise


