
Miniature Bearings Australia
GE-02000-04600-ST - Datasheet
MBA
Category Information
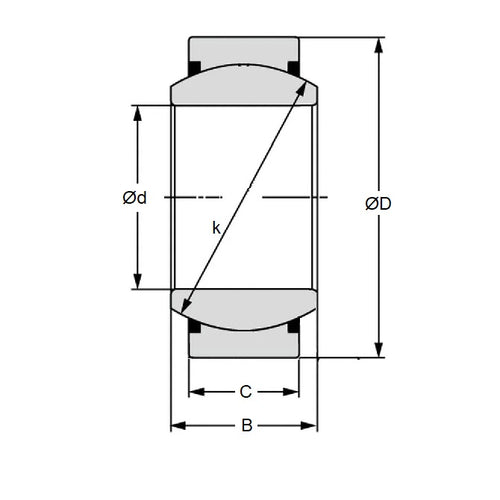
Bushings - Spherical - Steel - No Oil HoleNo Oil Hole Steel Spherical Bushings. Steel spherical plain bearings. Also known as ball bushings.
- Self-aligning bearing that has spherical inner and outer rings, allowing it to handle both large radial and axial loads simultaneously.
- Used in applications with slow swinging movements or where misalignment must be compensated for, such as in control linkages, suspension components, and industrial machinery.
- Designed to reduce vibration and noise by allowing articulating motion in a fixed directional load.
- Compensates for axial loads and misalignment.
Product Data
- Bore (d1)
:
20.000
mm
(Equiv. 0.787 in.) - OD (d2)
46.000
mm
(Equiv. 1.811 in.) - Width (B)
25.000
mm
(Equiv. 0.984 in.) - Outer Width (C) 18.00 mm
- Dynamic Load Capacity 3140 kgf
- Static Load Capacity 7540 kgf
- Features No Wiper Seals / No Oil Hole
- Material Steel
Product Compliance and Data
Additional Resources
Cross References
- IKO PB20
- Nachi PB-20


