
Miniature Bearings Australia
BF0200-0240-0120-BS2820LT - Datasheet
MBA
Category Information
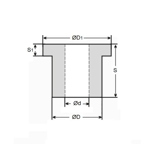
Bushes - Flanged - Bronze - SinteredSintered Bronze Flanged Bushes. Oil impregnated flanged sintered bronze bushes.
- An expanded range may be available on special order. Please enquire.
- Precision items show an allowable Load Speed Rating in Newtons times RPM.
Product Data
- Nominal Inside Diameter (d)
:
20.000
mm
+ 0.005 / + 0.030
(Equiv. 0.787 in.) - Nominal Outside Diameter (D)
24.000
mm
+ 0.035 / + 0.060
(Equiv. 0.945 in.) - Length (s)
12.000
mm
+/- 0.127
(Equiv. 0.472 in.) - Flange OD (D1) 28.00 mm
- Flange Thickness (S1) 2.00 mm
- Material Bronze SAE 841 Sintered
Product Compliance and Data
Additional Resources
- DU Bush Material Information
- General Bushes Catalogue
- Sintered Bronze Products Catalogue
- Solid Bronze Bushes catalogue
Cross References
- 6659K688
- Oilite FFM2024-12
- Oilube FM-2024-12
- BF020002400120BSLT
- FFM202412


