
Miniature Bearings Australia
BP0200-0230-0250-DU - Datasheet
MBA
Category Information
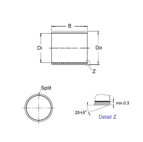
Bushes - Unflanged - Split - Steel - DUDU Steel Split Unflanged Bushes. Composite bearing material conisting of 3 bonded layers; Steel backing bonded with porous sintered bronze interlayer which is impregnated and overlaid with polytetrafluroethylene (PTFE). Lead free.
- An expanded range may be available on special order. Please enquire.
- Operating Temperature -200o to 280o Celsius. Maximum load 250N/mm2.
- Requires No lubrication, provides maintenance free operation. Exhibits low wear rate, Seizure resistant.
- High Static and Dynamic Load capacity, Good frictional properties with negligible stick-slip. Resists Solvents, Compact and light.
- No water Absorption, Electrically conductive and shows no electrostatic effects, Good embedability and is tolerant of dusty environments.
- Good embedability and is tolerant of dusty environments. Speed Limit in oil 5 metres surface speed per second.
Product Data
- Nominal Inside Diameter (d)
:
20.000
mm
- 0.000 / - 0.041
(Equiv. 0.787 in.) - Nominal Outside Diameter (D)
23.000
mm
+ 0.075 / - 0.000
(Equiv. 0.906 in.) - Length (s)
25.000
mm
+ 0.00 / - 0.30
(Equiv. 0.984 in.) - Material Steel DU with PTFE
Product Compliance and Data
Additional Resources
- DU Bush Material Information
- General Bushes Catalogue
- Sintered Bronze Products Catalogue
- Solid Bronze Bushes catalogue
Cross References
- Glacier MB2025DU
- Glacier SF-2025-1W
- DU2025
- DU-2025
- SF20251W


