
Miniature Bearings Australia
REF-200-R-CB - Datasheet
MBA
Category Information
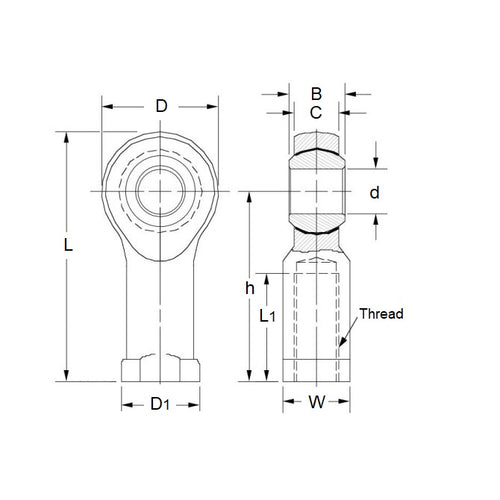
Rod Ends - Female - Steel - Plain - Bronze LinedBronze Lined Plain Steel Female Rod Ends. Imperial and Metric / Carbon Steel. Also known as Heim Joints
- An expanded range may be available on special order. Please enquire.
- Dimensions not shown are available on request.
Product Data
- Eye Size (d1)
:
20
mm
(Equiv. 0.787 in.) - Overall Length (L)
102.000
mm
(Equiv. 4.016 in.) - Thread Size (T) M20x1.5 Right
- Thread Length (l2) 33.00 mm
- Head Width (W) 18.00 mm
- Eye Width (W1) 25.00 mm
- Centre Height (l1) 77.00 mm
- Grease Nipple Yes
- Body Width/Flange Width(W2/D3) 30.00 / 34.00 mm
- Material Bronze Lined Steel
Product Compliance and Data
Additional Resources
Cross References
- Misumi® E-GYN20
- EGYN20


