
Miniature Bearings Australia
GM-010-M05-030-A - Datasheet
MBA
Category Information
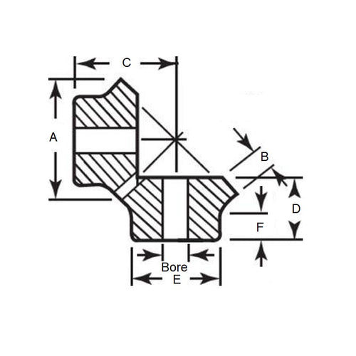
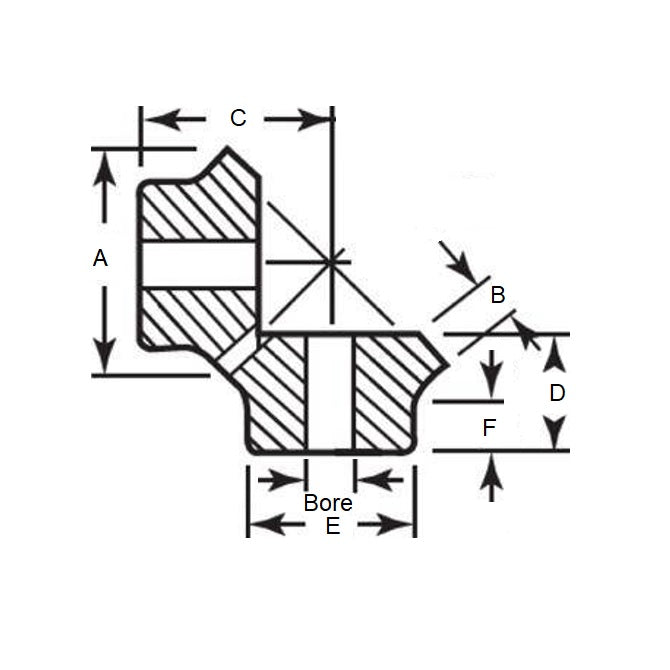
Gears - Mitre - Module 0.5 - PlasticPlastic Module 0.5 Mitre Gears. 1:1 Ratio. 20 Degree Pressure Angle - Acetal
- An expanded range may be available on special order. Please enquire.
- Mitre gears are used with a matching gear of the same pitch and number of teeth.
- This provides a 1 to 1 ratio on a 90 Degree angle.
- See Gears - Bevel for other ratios.
Product Data
- Number of Teeth : 20
- Pitch Diameter (pd)
10.000
mm
(Equiv. 0.394 in.) - Bore (d)
3.000
mm
(Equiv. 0.118 in.) - Overall Length (L) 8.000 mm
- Hub Diameter (hd) 8.000 / No Set Screw mm
- Each
- Hub Projection (F) 4.00 mm
- Mounting Distance (C) 11.000 mm
- Face Width (B) 2.500 mm
- Material Acetal - Commercial
Product Compliance and Data
Additional Resources
Cross References
- A1M4MYH05


