
Miniature Bearings Australia
GB-21B-M1-20-050-A - Datasheet
MBA
Category Information
Gears - Bevel - Module 1 PlasticModule 1 Plastic Bevel Gears. For 90 Degree angle power transfer. Ratios exceeding 1 to 1.
- An expanded range may be available on special order. Please enquire.
- 20 Degree Pressure Angle.
- Do not mix gears from different sets.
- See Gears - Mitre for 1 to 1 ratios.
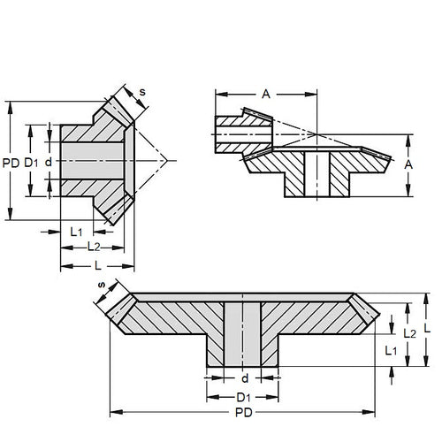
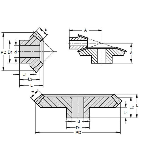
Product Data
- Ratio : 2 to 1
- Comment Small Gear Only
- Matching Gear to Complete Set GB-21B-M1-40-060-A
- Teeth 20 No.
- Bore (d) 5.000 mm
- Pitch Diameter (PD) 20.00 mm
- Face Width (S) 4.50 mm
- Overall Width (L) 14.50 mm
- Hub Diameter (D1) 15.000 mm
- Mounting Distance (A) 30.00 mm
- Hub Length (l1) 7.00 mm
- Material Acetal
Product Compliance and Data
Additional Resources
Cross References
- KHK DB1-4020
- 20TB1.0P20M6P5
- A1M3MYH1020
- DB14020Gear
- DB1-4020Gear


