
Miniature Bearings Australia
SS022C-0095-AS - Datasheet
Brighton Best
Category Information
Socket Set Screws - Standard Cup Point - Alloy Steel DIN916Alloy Steel DIN916 Standard Cup Point Socket Set Screws. Standard grub screws. UNC - UNF - BA - METRIC.
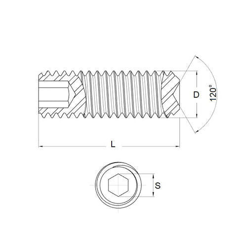
- Socket driven grub screw with a standard cup point.
Product Data
- Thread Size : 2-56 UNC (2.18mm)
- Thread Length (L)
9.5
mm
(Equiv. 0.374 in.) - Type Standard Cup Point
- Hex Key Size 0.90
- Pitch 0.454 mm
- Threads Per Inch 56 TPI
- Finish Hardened, Black Oxide Coated
- Material Carbon Steel - Hardened GD14.9
Product Compliance and Data
Additional Resources
- Screws & Nuts Catalogue
- Shoulder Screws Catalogue
- Socket Set (Grub) Screws Catalogue
- Thumb Screws & Thumb Nuts Catalogue
- Thread Size Chart - Combined Imperial & Metric
Cross References
- Brighton Best 601033
- 91375A079
- Small Parts SSAS-256-6
- SSAS2566


