
Miniature Bearings Australia
DVWS1-ADJ-POL - Datasheet
MBA
Category Information
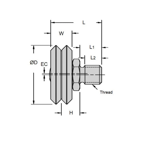
Dual Vee - Studded Guide WheelsStudded Guide Wheels Dual Vee. Vee grooved track roller guide wheels.
- An expanded range may be available on special order. Please enquire.
- Match with correct Track Size.
- Note! OD is reference only. Allow up to 1.2 mm larger than listed.
Product Data
- Size Reference : 1
- Outside Diameter (O.D)
19.6
mm
(Equiv. 0.772 in.) - Journal Width (W)
7.87
mm
(Equiv. 0.31 in.) - Overall Length (L) 19.3 mm
- Wheel Type Adjustable
- Offset Value (EC) 0.84 mm
- Static Load (Radial / Axial) 6 / - kg
- Thread Size x Length (l2) M6 x 1.0 x 8.1
- Material Polymer
Product Compliance and Data
Additional Resources
Cross References
- WZ424
- WZ-424


