
Miniature Bearings Australia
MLM-191C-075-S3NY-0LH - Datasheet
MBA
Category Information
Mounts - Levelling Studded - Light Duty - Nylon - No Lag HolesNo Lag Holes Nylon Light Duty Levelling Studded Mounts. Adjusters.
- An expanded range may be available on special order. Please enquire.
Product Data
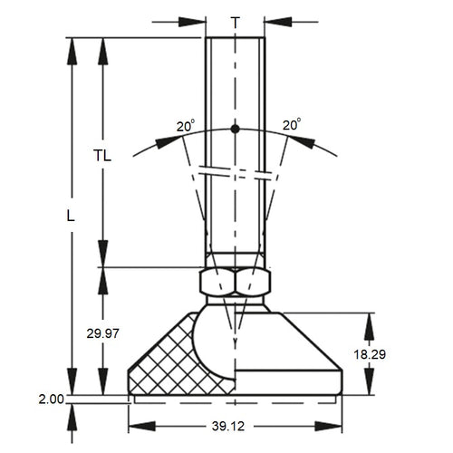
- Thread Size (A) : 3/4-10 UNC (19.05mm)
- Base Diameter (D)
113.8
mm
(Equiv. 4.48 in.) - Foot Height (C)
45.0
mm
(Equiv. 1.772 in.) - Thread Length (F) 74.9 mm
- Base Height (E) 68.1 mm
- Overall Height 143.00 mm
- Load Rating 1996 Kg
- 8
- Material Stainless Steel
Product Compliance and Data
Additional Resources
Cross References
- MLM0075191CNS3
- MLM1996191CNS3
- RL-1504-S
- RL1504S


