
Miniature Bearings Australia
BP0191-0318-0254-BSHH - Datasheet
MBA
Category Information
Bushes - Unflanged - Bronze - SinteredSintered Bronze Unflanged Bushes. Oil impregnated sintered bronze bushes.
- An expanded range may be available on special order. Please enquire.
- Precision items show an allowable Load Speed Rating in Newtons times RPM.
Product Data
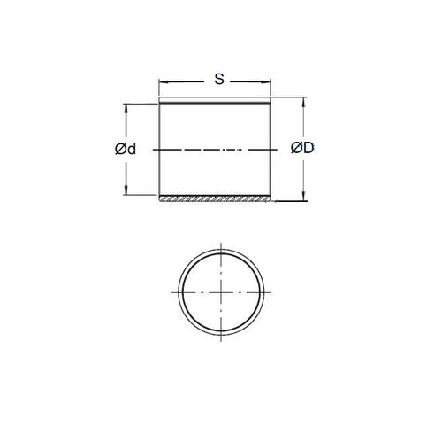
- Nominal Inside Diameter (d)
:
19.050
mm
+ 0.051 / + 0.076
(Equiv. 0.75 in.) - Nominal Outside Diameter (D)
31.750
mm
+ 0.051 / + 0.076
(Equiv. 1.25 in.) - Length (s)
25.400
mm
+/- 0.127
(Equiv. 1 in.) - Material Bronze SAE 841 Sintered
Product Compliance and Data
Additional Resources
- DU Bush Material Information
- General Bushes Catalogue
- Sintered Bronze Products Catalogue
- Solid Bronze Bushes catalogue
Cross References
- 6391K418
- Oilite AA1257
- Oilite AA-1257
- Bunting B-1220-8
- Symmco SS-2440-16
- BP019103180254BS
- BP019103180254BSH
- SS244016
- B12208
- A7B4-SP244008
- A7B4SP244008


