
Miniature Bearings Australia
BF0191-0254-0508-BS3240TH - Datasheet
MBA
Category Information
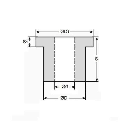
Bushes - Flanged - Bronze - SinteredSintered Bronze Flanged Bushes. Oil impregnated flanged sintered bronze bushes.
- An expanded range may be available on special order. Please enquire.
- Precision items show an allowable Load Speed Rating in Newtons times RPM.
Product Data
- Nominal Inside Diameter (d)
:
19.050
mm
+ 0.025 / + 0.051
(Equiv. 0.75 in.) - Nominal Outside Diameter (D)
25.400
mm
+ 0.051 / + 0.076
(Equiv. 1 in.) - Length (s)
50.800
mm
+/- 0.190
(Equiv. 2 in.) - Flange OD (D1) 31.75 mm
- Flange Thickness (S1) 3.97 mm
- Material Bronze SAE 841 Sintered
Product Compliance and Data
Additional Resources
- DU Bush Material Information
- General Bushes Catalogue
- Sintered Bronze Products Catalogue
- Solid Bronze Bushes catalogue
Cross References
- Oilite FB1216-16
- Oilube FB1216-16
- BF019102540508BS
- BF019102540508BSTH
- FB121616
- A7B4-SF243216
- A7B4SF243216


