
Miniature Bearings Australia
REF-191-L-CB - Datasheet
MBA
Category Information
Rod Ends - Female - Steel - Plain - Bronze LinedBronze Lined Plain Steel Female Rod Ends. Imperial and Metric / Carbon Steel. Also known as Heim Joints
- An expanded range may be available on special order. Please enquire.
- Dimensions not shown are available on request.
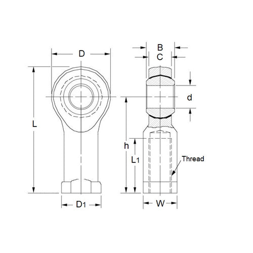
Product Data
- Eye Size (d1)
:
19.05
mm
(Equiv. 0.75 in.) - Overall Length (L)
95.25
mm
(Equiv. 3.75 in.) - Thread Size (T) 3/4-16 UNF Left
- Thread Length (l2) 44.45 mm
- Head Width (W) 17.45 mm
- Eye Width (W1) 22.22 mm
- Head Diameter (D) 44.45 mm
- Centre Height (l1) 73.03 mm
- Grease Nipple No
- Body Width/Flange Width(W2/D3) 25.40 / 28.58 mm
- Material Bronze Lined Steel
Product Compliance and Data
Additional Resources
Cross References
- 6072K58-LEFT
- ASAHI® JAFB12L
- KWK KFB12L
- IKO PHSB12L
- Nachi® PHSB-12L
- NTN® SFI-B12L
- 6072K58LEFT
- SFIB12L


