
Miniature Bearings Australia
PBC-310RS - Datasheet
MBA
Category Information
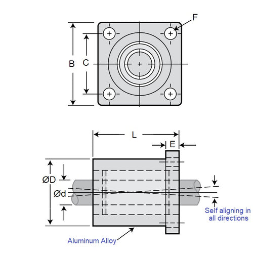
Linear - Housings Flanged 4 Bolt FrelonHousings Flanged 4 Bolt Frelon Linear. Single and double length
- Bearing is Frelon Gold -tm- encased in a flanged housing made from 6061-T6 aluminium. Double length has two bearings mounted internally.
- For rotating and linear motion.
Product Data
- Nominal Shaft Size
:
19.050
mm
+ 0.10 / + 0.05
(Equiv. 0.75 in.) - Base Height (C)
60.452
mm
(Equiv. 2.38 in.) - Length (A)
52.502
mm
(Equiv. 2.067 in.) - Overall Height (E) 241.935 mm
- Housing Height (D) 44.450 mm
- Bolt Centres (E) 44.450 mm
- Bolt Hole Size (G) 5.556 mm
- Material Frelon
Product Compliance and Data
Additional Resources
Cross References
- Pacific SFP-12
- SFP12


