
Miniature Bearings Australia
LCB-0191-031-041-S440 - Datasheet
MBA
Category Information
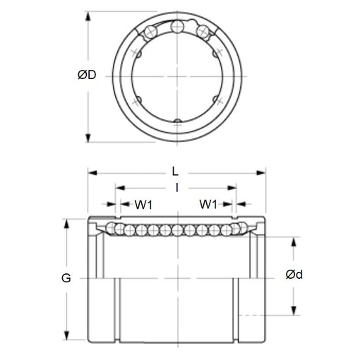
Linear - Ball Bearings - Standard Closed - Stainless SteelStainless Steel Standard Closed Ball Bearings Linear. Standard closed type to run on standard 60HRC shafts with h6 tolerances. For running on shafts fixed at the ends.
- Use with hardened precision ground shafting.
- Shaft tolerance: h6 (Normal Fit), j6 (Close Fit).
- Housing Tolerance: H7 (Clearance Fit), J7 (Interference Fit).
- Max Temp: 100 oC Intermittent, 80 Deg C continuous.
Product Data
- Nominal Shaft Size (T)
:
19.050
mm
(Equiv. 0.75 in.) - Nom. Outer Diameter (D)
31.496
mm
(Equiv. 1.24 in.) - Length ( L / l )
41.275 / 29.312
mm
(Equiv. 1.625 in.) - Dynamic Load 889.6 N
- Groove Width (W1) 1.422 mm
- Ball Cicuits (Nr.) 5
- Material Stainless Steel AISI 440C
Product Compliance and Data
Additional Resources
- Catalogue: Ceramic Bearings Catalogue
- Catalogue: Plastic Bearings Catalogue
- Catalogue: Standard Bearings Catalogue
- General: Bearing Cleanliness
- General: Bearing Clearances
- General: Bearing Flanges & Snap Rings
- General: Bearing Retainers (Cages)
- General: General Loads Information
- General: Lubrication
- General: Prefix & Suffix Guide
- General: Static vs Dynamic Loads
- Materials: 316 Stainless
- Materials: CASSTOP Anti-Corrosion Bearing Material
- Materials: Ceramic vs Ceramic Hybrid
- Materials: Ceramic Bearings in Vibratory Applications
- Materials: Ceramic Hybrid Bearings in Vibratory Applications
- Materials: General Bearing Materials
- Materials: Magnetism & Bearings
- Precision: 316 Stainless & Plastic Bearing Tolerances
- Precision: ABEC Basic Information
- Precision: Precision Bearing Tolerances
- Problem Solving: Bearing Failure
- Problem Solving: Fatigue (L10 Life)
- Problem Solving: Noise
Cross References
- 6262K85
- Thompson A-122026SS
- TLM65
- TLM-65
- A122026SS


