Miniature Bearings Australia - MBA Minibearings
Miniature Bearings Australia

CCF430RS - Datasheet

MBA

Category Information

Roller Followers - Standard

Standard Roller Followers. This is the main category in this series

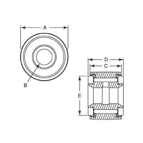
    Product Data

    • Diameter (A) : 19.050 mm
      (Equiv. 0.75 in.)
    • Overall Width (D) 14.288 mm
      (Equiv. 0.563 in.)
    • Bore (B) 6.350 mm
      (Equiv. 0.25 in.)
    • Width (C) 12.700 mm
    • E 15.875 mm
    • Dynamic Load Rating 675.853 kg
    • Static Load Rating 952.544 kg
    • Material Stainless Steel
    Country of Origin: US

    Product Compliance and Data

    Additional Resources

      Cross References

      • 7796K81
      • CCF430
      • CCF-430
      View full details