
Miniature Bearings Australia
BF0191-0254-0381-BS3250TH - Datasheet
MBA
Category Information
Bushes - Flanged - Bronze - SinteredSintered Bronze Flanged Bushes. Oil impregnated flanged sintered bronze bushes.
- An expanded range may be available on special order. Please enquire.
- Precision items show an allowable Load Speed Rating in Newtons times RPM.
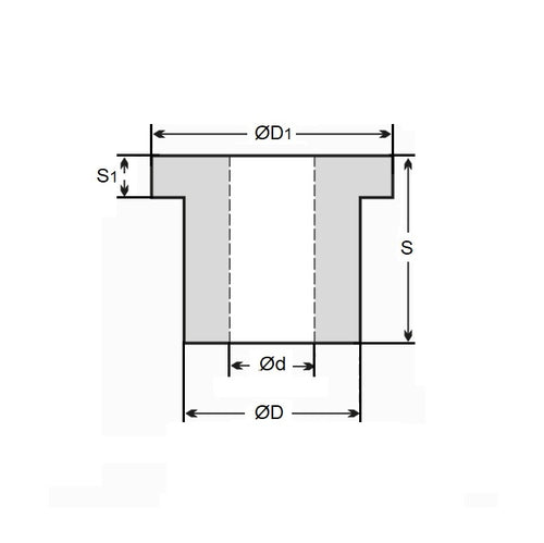
Product Data
- Nominal Inside Diameter (d)
:
19.050
mm
+ 0.025 / + 0.051
(Equiv. 0.75 in.) - Nominal Outside Diameter (D)
25.400
mm
+ 0.076 / + 0.102
(Equiv. 1 in.) - Length (s)
38.100
mm
+/- 0.190
(Equiv. 1.5 in.) - Flange OD (D1) 31.75 mm
- Flange Thickness (S1) 4.76 mm
- Material Bronze SAE 841 Sintered
Product Compliance and Data
Additional Resources
- DU Bush Material Information
- General Bushes Catalogue
- Sintered Bronze Products Catalogue
- Solid Bronze Bushes catalogue
Cross References
- 6338K587
- Bunting BSF-2432-24
- Bunting EF121624
- Daemar FL-77-12
- Oilube FL-77-12
- BSF243224
- FL7712


