
Miniature Bearings Australia
REF-180-L-CB-F - Datasheet
MBA
Category Information
Rod Ends - Female - Steel - Plain - Bronze LinedBronze Lined Plain Steel Female Rod Ends. Imperial and Metric / Carbon Steel. Also known as Heim Joints
- An expanded range may be available on special order. Please enquire.
- Dimensions not shown are available on request.
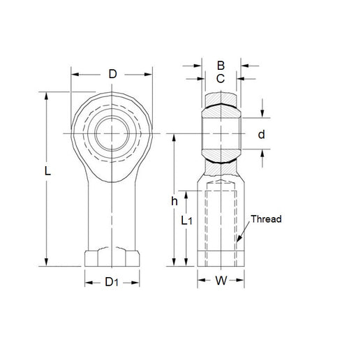
Product Data
- Eye Size (d1)
:
18
mm
(Equiv. 0.709 in.) - Overall Length (L)
92.00
mm
(Equiv. 3.622 in.) - Thread Size (T) M18x1.5 Left
- Thread Length (l2) 36.00 mm
- Head Width (W) 16.50 mm
- Eye Width (W1) 23.00 mm
- Head Diameter (D) 42.00 mm
- Centre Height (l1) 71.00 mm
- Grease Nipple Yes
- Body Width/Flange Width(W2/D3) 27.00 / 31.00 mm
- Material Bronze Lined Steel
Product Compliance and Data
Additional Resources
Cross References
- ASAHI JAF18L
- KWK KF18L
- IKO PHS18L
- Nachi PHS-18L
- NTN SFI-18L
- SFI18L


