
Miniature Bearings Australia
NCF15RS - Datasheet
MBA
Category Information
Cam Followers - Bronze Bushing Self LubricatingBronze Bushing Self Lubricating Cam Followers. This is the main category in this series
Product Data
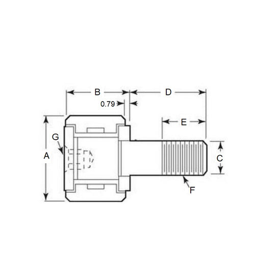
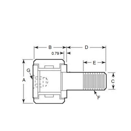
- Diameter (A)
:
17.463
mm
(Equiv. 0.688 in.) - Length
30.163
mm
(Equiv. 1.188 in.) - Thread (F) 1/4-28 UNF
- Thread Length (E) 7.925 mm
- Roller Width (B) 11.113 mm
- Material Steel and Bronze
Product Compliance and Data
Additional Resources
Cross References
- NCF-15
- NCF15


