
Miniature Bearings Australia
GE-01600-03800-ST - Datasheet
MBA
Category Information
Bushings - Spherical - Steel - No Oil HoleNo Oil Hole Steel Spherical Bushings. Steel spherical plain bearings. Also known as ball bushings.
- Self-aligning bearing that has spherical inner and outer rings, allowing it to handle both large radial and axial loads simultaneously.
- Used in applications with slow swinging movements or where misalignment must be compensated for, such as in control linkages, suspension components, and industrial machinery.
- Designed to reduce vibration and noise by allowing articulating motion in a fixed directional load.
- Compensates for axial loads and misalignment.
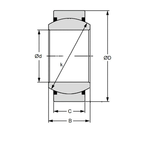
Product Data
- Bore (d1)
:
16.000
mm
(Equiv. 0.63 in.) - OD (d2)
38.000
mm
(Equiv. 1.496 in.) - Width (B)
21.000
mm
(Equiv. 0.827 in.) - Outer Width (C) 15.00 mm
- Dynamic Load Capacity 2140 kgf
- Static Load Capacity 5140 kgf
- Features No Wiper Seals / No Oil Hole
- Material Steel
Product Compliance and Data
Additional Resources
Cross References
- 2995K36
- IKO PB16
- Nachi PB-16


