
Miniature Bearings Australia
PLIT-160-240-200-96-LKP-S3 - Datasheet
MBA
Category Information
Plungers - Indexing Pull Knob - Stainless and Plastic - With Locking SlotWith Locking Slot Stainless and Plastic Indexing Pull Knob Plungers. With thermoplastic knob
- Spring-loaded pin used to lock a part into a specific position.
- To use it, pull the handle or knob, which retracts the pin, allowing the part to be moved freely. When released the pin springs back into a hole, securing the part in its new position.
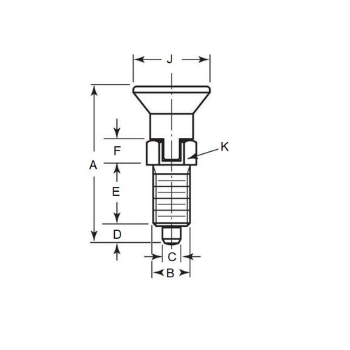
Product Data
- Thread (B) : M24 Fine (24x2mm)
- Overall Length (A)
96.0
mm
(Equiv. 3.78 in.) - Initial End Force 2.0 N
- Final End Force 4.7 N
- Tip Diameter (C) 16.0 mm
- Tip Length (D) 16.0 mm
- Hex Height (F) 18.0 mm
- Knob Diameter (J) 40.0 mm
- Hex Size (K) 27.0
- Material Stainless Steel 303 (Similar to A2, 304, 18-8)
Product Compliance and Data
Additional Resources
Cross References
- KBP-563
- KBP563


