Miniature Bearings Australia - MBA Minibearings
Miniature Bearings Australia

P-XL-015-095FF-AL-GN-079 - Datasheet

MBA

Category Information

Pulleys - Inch Timing - 5.080mm Pitch XL - 9.5mm Wide - Metallic

Metallic 9.5mm Wide 5.080mm Pitch XL Inch Timing Pulleys. Timing Pulleys to suit XL Series 5.080mm Pitch Timing Belts. Suits belts 9.0 to 9.6mm wide.

  • Timing pulleys combined with timing belts, provide power transmission without slippage.
  • Timing pulleys are toothed pulleys used with timing belts to synchronize the movement of different mechanical components, ensuring precise timing and coordination.
  • Some uses for timing pulleys include 3D printers, CNC machines, robotics and automation components, textile machinery, office equipment such as scanners and copiers, and medical devices requiring precise movement control.
  • Aluminium alloy and Black Oxide coated steel
  • Finished bore with set screw locking
  • Unfinished types requires drilling and tapping
  • Bore requires machining to finished size

Product Data

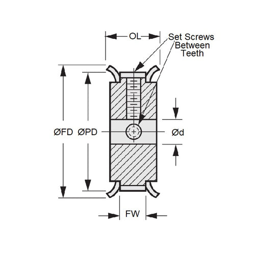
  • Number of Teeth : 15
  • Max Belt Width 9.50 mm
    (Equiv. 0.374 in.)
  • Bore (d) 7.938 mm
    (Equiv. 0.313 in.)
  • Bore Type Finished
  • Type Double Flanged - Hubless
  • Pitch Dia. (PD) 24.24 mm
  • Flange Diameter (FD) 30.2 mm
  • Overall Length (OL) 14.3 mm
  • Hub Diameter (HD) No Hub
  • Locking Type Set Screw Between Teeth
  • Material Aluminium
Country of Origin: IN

Product Compliance and Data

Additional Resources

Cross References

  • 1277N744
  • Gates 15XL037-3FA4
  • 15XL0373FA4
View full details