
Miniature Bearings Australia
BF0150-0210-0100-BS2730LT - Datasheet
MBA
Category Information
Bushes - Flanged - Bronze - SinteredSintered Bronze Flanged Bushes. Oil impregnated flanged sintered bronze bushes.
- An expanded range may be available on special order. Please enquire.
- Precision items show an allowable Load Speed Rating in Newtons times RPM.
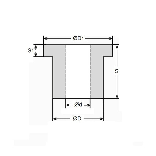
Product Data
- Nominal Inside Diameter (d)
:
15.000
mm
+ 0.005 / + 0.030
(Equiv. 0.591 in.) - Nominal Outside Diameter (D)
21.000
mm
+ 0.035 / + 0.060
(Equiv. 0.827 in.) - Length (s)
10.000
mm
+/- 0.127
(Equiv. 0.394 in.) - Flange OD (D1) 27.00 mm
- Flange Thickness (S1) 3.00 mm
- Comments ISO2795
- Material Bronze SAE 841 Sintered
Product Compliance and Data
Additional Resources
- DU Bush Material Information
- General Bushes Catalogue
- Sintered Bronze Products Catalogue
- Solid Bronze Bushes catalogue
Cross References
- Oilube FM-1521-10
- BF015002100100BS
- BF015002100100BSLT
- QFM15-10
- QFM1510
- FM152110


