
Miniature Bearings Australia
IR-0150-0200-0230 - Datasheet
MBA
Category Information
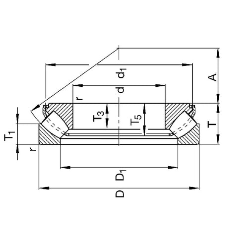
Bearings - Needle Roller Inner RingsNeedle Roller Inner Rings Bearings. Hardened sleeves for needle roller bearings.
- Needle roller inner rings are high strength, high precision sleeves, that are used as a high quality surface on which a needle roller bearing can to run.
- Pair them with a suitable needle roller where the bearing ID matches the inner ring OD.
- They can be used to sleeve a worn shaft, or in applications where it is desirable to run the bearing on an easily replacebale surface.
Product Data
- Inside Diameter
:
15.000
mm
(Equiv. 0.591 in.) - Outside Diameter
20.000
mm
(Equiv. 0.787 in.) - Length (L)
23.000
mm
(Equiv. 0.906 in.) - Material Chrome Steel
Product Compliance and Data
Additional Resources
- Catalogue: Ceramic Bearings Catalogue
- Catalogue: Plastic Bearings Catalogue
- Catalogue: Standard Bearings Catalogue
- General: Bearing Cleanliness
- General: Bearing Clearances
- General: Bearing Flanges & Snap Rings
- General: Bearing Retainers (Cages)
- General: General Loads Information
- General: Lubrication
- General: Prefix & Suffix Guide
- General: Static vs Dynamic Loads
- Materials: 316 Stainless
- Materials: CASSTOP Anti-Corrosion Bearing Material
- Materials: Ceramic vs Ceramic Hybrid
- Materials: Ceramic Bearings in Vibratory Applications
- Materials: Ceramic Hybrid Bearings in Vibratory Applications
- Materials: General Bearing Materials
- Materials: Magnetism & Bearings
- Precision: 316 Stainless & Plastic Bearing Tolerances
- Precision: ABEC Basic Information
- Precision: Precision Bearing Tolerances
- Problem Solving: Bearing Failure
- Problem Solving: Fatigue (L10 Life)
- Problem Solving: Noise
Cross References
- Misumi IR15X20X23
- IKO LRT152023
- Misumi LRT152023
- Nachi LRT-152023


