
Miniature Bearings Australia
MB-0159-051 - Datasheet
MBA
Category Information
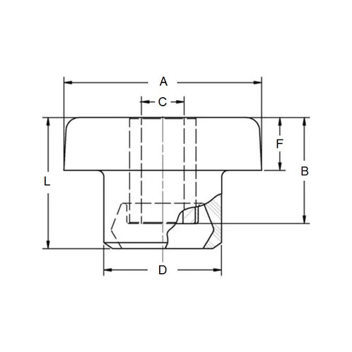
Mounts - Bonded - Tee Bush Centre BoltTee Bush Centre Bolt Bonded Mounts. Vibration isolation for mobile and static applications involving plate clamping
- An expanded range may be available on special order. Please enquire.
- Reduces structure borne noise and absorbs shock forces
- Low profile height
Product Data
- Max Static Load : 158 kg
- Bolt Hole Diameter (C)
13.5
mm
(Equiv. 0.531 in.) - Flange Diameter (A)
50.8
mm
(Equiv. 2 in.) - Flange Width (F) 13.5 mm
- Shoulder Diameter (D) 34.3 mm
- Overall Length (B) 41.2 mm
- Material Rubber
Product Compliance and Data
Additional Resources
Cross References
- BBM-25
- BBM25


