
Miniature Bearings Australia
BF0159-0222-0191-BS2532TT - Datasheet
MBA
Category Information
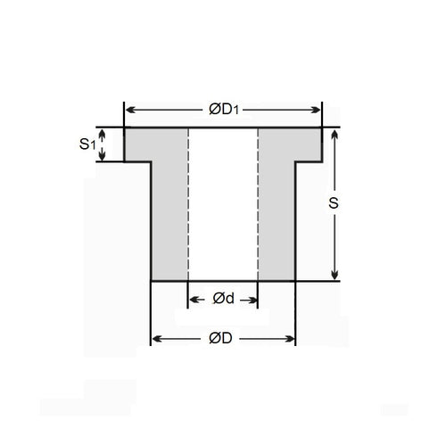
Bushes - Flanged - Bronze - SinteredSintered Bronze Flanged Bushes. Oil impregnated flanged sintered bronze bushes.
- An expanded range may be available on special order. Please enquire.
- Precision items show an allowable Load Speed Rating in Newtons times RPM.
Product Data
- Nominal Inside Diameter (d)
:
15.875
mm
+ 0.025 / + 0.051
(Equiv. 0.625 in.) - Nominal Outside Diameter (D)
22.225
mm
+ 0.025 / + 0.051
(Equiv. 0.875 in.) - Length (s)
19.050
mm
+/- 0.127
(Equiv. 0.75 in.) - Flange OD (D1) 25.40 mm
- Flange Thickness (S1) 3.18 mm
- Material Bronze SAE 841 Sintered
Product Compliance and Data
Additional Resources
- DU Bush Material Information
- General Bushes Catalogue
- Sintered Bronze Products Catalogue
- Solid Bronze Bushes catalogue
Cross References
- Oilite FF843
- Oilite FF-843
- Oilube FF-843
- BF015902220191BS2532
- BF015902220191BSF2532UU
- BF015902220191BSF2532-UU


