
Miniature Bearings Australia
BP0159-0222-0159-BSTH3 - Datasheet
MBA
Category Information
Bushes - Unflanged - Bronze - SinteredSintered Bronze Unflanged Bushes. Oil impregnated sintered bronze bushes.
- An expanded range may be available on special order. Please enquire.
- Precision items show an allowable Load Speed Rating in Newtons times RPM.
Product Data
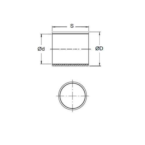
- Nominal Inside Diameter (d)
:
15.875
mm
+ 0.025 / + 0.051
(Equiv. 0.625 in.) - Nominal Outside Diameter (D)
22.225
mm
+ 0.076 / + 0.102
(Equiv. 0.875 in.) - Length (s)
15.875
mm
+/- 0.127
(Equiv. 0.625 in.) - Material Bronze SAE 841 Sintered
Product Compliance and Data
Additional Resources
- DU Bush Material Information
- General Bushes Catalogue
- Sintered Bronze Products Catalogue
- Solid Bronze Bushes catalogue
Cross References
- 6391K202
- Oilite AP832-12
- Bunting EP101410
- Daemar P-64-5
- BNT-169
- BP015902220159BS
- BP015902220159BSSH
- BNT169
- BP015902220159BS-SH
- BP015902220159BSTH
- AP83212
- P645


