
Miniature Bearings Australia
BP0159-0222-0127-BSTH2 - Datasheet
MBA
Category Information
Bushes - Unflanged - Bronze - SinteredSintered Bronze Unflanged Bushes. Oil impregnated sintered bronze bushes.
- An expanded range may be available on special order. Please enquire.
- Precision items show an allowable Load Speed Rating in Newtons times RPM.
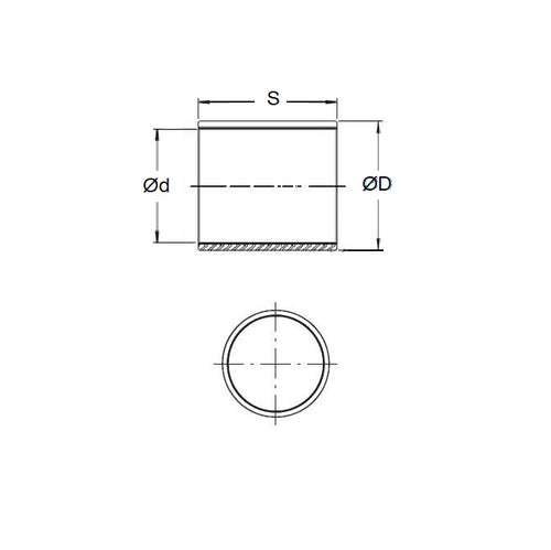
Product Data
- Nominal Inside Diameter (d)
:
15.875
mm
+ 0.025 / + 0.051
(Equiv. 0.625 in.) - Nominal Outside Diameter (D)
22.225
mm
+ 0.076 / + 0.102
(Equiv. 0.875 in.) - Length (s)
12.700
mm
+/- 0.127
(Equiv. 0.5 in.) - Material Bronze SAE 841 Sintered
Product Compliance and Data
Additional Resources
- DU Bush Material Information
- General Bushes Catalogue
- Sintered Bronze Products Catalogue
- Solid Bronze Bushes catalogue
Cross References
- Oilite AP832-11
- Bunting EP101408
- Daemar P-64-4
- BP015902220127BSSH
- BP015902220127BS-SH
- BP015902220127BSTH
- BNT168
- BNT-168
- AP83211
- P644


