
Miniature Bearings Australia
BF0159-0206-0191-BS2740TH - Datasheet
MBA
Category Information
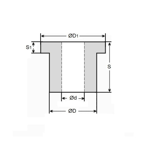
Bushes - Flanged - Bronze - SinteredSintered Bronze Flanged Bushes. Oil impregnated flanged sintered bronze bushes.
- An expanded range may be available on special order. Please enquire.
- Precision items show an allowable Load Speed Rating in Newtons times RPM.
Product Data
- Nominal Inside Diameter (d)
:
15.875
mm
+ 0.025 / + 0.051
(Equiv. 0.625 in.) - Nominal Outside Diameter (D)
20.638
mm
+ 0.038 / + 0.063
(Equiv. 0.813 in.) - Length (s)
19.050
mm
+/- 0.191
(Equiv. 0.75 in.) - Flange OD (D1) 26.99 mm
- Flange Thickness (S1) 3.97 mm
- Material Bronze SAE 841 Sintered
Product Compliance and Data
Additional Resources
- DU Bush Material Information
- General Bushes Catalogue
- Sintered Bronze Products Catalogue
- Solid Bronze Bushes catalogue
Cross References
- 6338K576
- Boston FB-1013-6
- Oilite FB1013-6
- BF015902060191BS
- FB10136
- A7B4-SF202606
- A7B4SF202606


