
Miniature Bearings Australia
BP0159-0191-0127-BSTH - Datasheet
MBA
Category Information
Bushes - Unflanged - Bronze - SinteredSintered Bronze Unflanged Bushes. Oil impregnated sintered bronze bushes.
- An expanded range may be available on special order. Please enquire.
- Precision items show an allowable Load Speed Rating in Newtons times RPM.
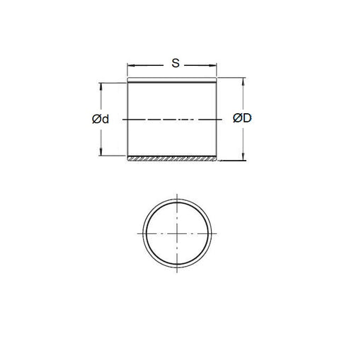
Product Data
- Nominal Inside Diameter (d)
:
15.875
mm
+ 0.025 / + 0.051
(Equiv. 0.625 in.) - Nominal Outside Diameter (D)
19.050
mm
+ 0.051 / + 0.076
(Equiv. 0.75 in.) - Length (s)
12.700
mm
+/- 0.127
(Equiv. 0.5 in.) - Material Bronze SAE 841 Sintered
Product Compliance and Data
Additional Resources
- DU Bush Material Information
- General Bushes Catalogue
- Sintered Bronze Products Catalogue
- Solid Bronze Bushes catalogue
Cross References
- 6391K241
- Oilite AA-710-27
- Oilite AA710-27
- Oilite AP710-27
- Bunting B-1012-4
- Bunting EP101208
- Daemar P-62-4
- Small Parts SBB-10-8
- BNT-159
- BNT159
- BP015901910127BSSH
- BP015901910127BS-SH
- B10124
- AP71027
- SBB108
- QT1741
- QT174-1
- P624
- AA71027


