
Miniature Bearings Australia
BF0159-0175-0051-PC2 - Datasheet
MBA
Category Information
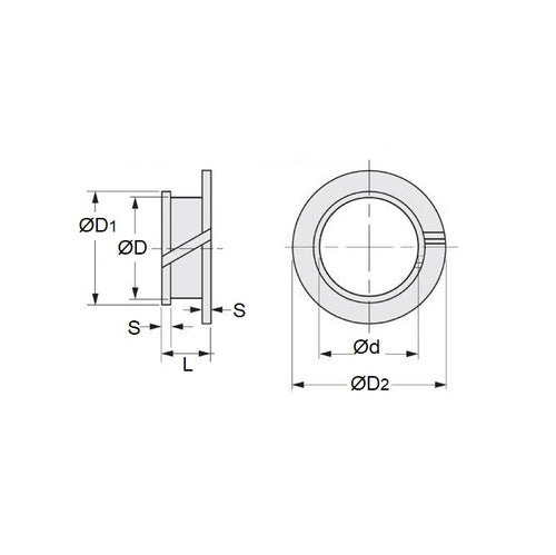
Bushes - Clip - Double FlangedDouble Flanged Clip Bushes. For use with sheet metal. Used as a light duty split bearing.
- Low clearance. Maintenance free. Economical. High Precision. High wear resistance.
- Light weight
- M250 Polymer minus 40 Deg C to 80 Deg C (minus 40 Deg F to 176 Deg F)
Product Data
- Nominal Inside Diameter (d)
:
15.875
mm
(Equiv. 0.625 in.) - Nominal Outside Diameter (D)
17.463
mm
(Equiv. 0.688 in.) - Overall Length
5.080
mm
(Equiv. 0.2 in.) - Large Flange Dia 22.225 mm
- Flange Width (S) 0.8 mm
- Small Flange Dia 18.256 mm
- Min Housing Bore 17.193 mm
- Max Housing Bore 17.463 mm
- Min Shaft Size 15.850 mm
- Max Shaft Size 15.875 mm
- Sheet Metal Thickness 1.83 to 3.43
- Material Plastic
Product Compliance and Data
Additional Resources
- DU Bush Material Information
- General Bushes Catalogue
- Sintered Bronze Products Catalogue
- Solid Bronze Bushes catalogue
Cross References
- 6126K48
- S99GMC637220
- S99GMC-637220


