
Miniature Bearings Australia
GHK1588-1588-152 - Datasheet
ExaktKey
Category Information
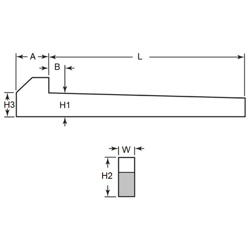
Keys - Gib Head - SteelSteel Gib Head Keys. Tapered 3.000 mm per 300 mm (1:100)
- An expanded range may be available on special order. Please enquire.
Product Data
- Nominal Key Height (H1) : 15.875 mm
- Width (W) 15.875 mm
- Length (L) 152.4 mm
- Head Height (h2) Approx. 25.4 mm
- Approx (B) 12.7
- Approx (H3) 16.67
- Taper 1:100
- Standard BS46
- Head Length (Approx) (A) 17.463 mm
- Material Cold Finished Steel
Product Compliance and Data
Additional Resources
Cross References
- 98471A324
- Huyett® GIB-0625-6000
- NoCor® GIB-0625-6000
- MAK-A-KEY® JMEDG6X58
- GIB06256000


