Miniature Bearings Australia - MBA Minibearings
Miniature Bearings Australia

GHK1588-1588-114 - Datasheet

ExaktKey

Category Information

Keys - Gib Head - Steel

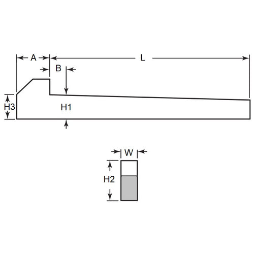
Steel Gib Head Keys. Tapered 3.000 mm per 300 mm (1:100)

  • An expanded range may be available on special order. Please enquire.

Product Data

  • Nominal Key Height (H1) : 15.875 mm
    (Equiv. 0.625 in.)
  • Width (W) 15.875 mm
    (Equiv. 0.625 in.)
  • Length (L) 114.3 mm
    (Equiv. 4.5 in.)
  • Approx (B) 12.7
  • Material Cold Finished Steel
Country of Origin: US

Product Compliance and Data

Additional Resources

Cross References

  • 98471A321
  • NoCor GIB-0625-4500
  • GIB06254500
View full details