
Miniature Bearings Australia
P-H-014-254FF-SB-N-0159U - Datasheet
MBA
Category Information
Pulleys - Inch Timing - 12.700mm Pitch H - 25.4mm Wide - Through BoreThrough Bore 25.4mm Wide 12.700mm Pitch H Inch Timing Pulleys. Timing Pulleys to suit H Series 12.700mm Pitch. Unfinished Bore.
- Timing pulleys combined with timing belts, provide power transmission without slippage.
- Timing pulleys are toothed pulleys used with timing belts to synchronize the movement of different mechanical components, ensuring precise timing and coordination.
- Some uses for timing pulleys include 3D printers, CNC machines, robotics and automation components, textile machinery, office equipment such as scanners and copiers, and medical devices requiring precise movement control.
- Cast Iron and Steel
- Hub requires drilling and tapping
- Bore requires machining to finished size
Product Data
- Number of Teeth : 14
- Max Belt Width (W)
25.40
mm
(Equiv. 1 in.) - Bore (d)
15.875
mm
(Equiv. 0.625 in.) - Bore Type Unfinished
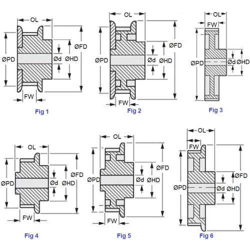
- Type 2
- Pitch Dia. (PD) 56.57 mm
- Flange Diameter (FD) 62.5 mm
- Overall Length 47.6 mm
- Hub Diameter (HD) 41.3
- Locking Type None
- Material Steel - Black Oxide
Product Compliance and Data
Additional Resources
Cross References
- Gates 14H100-6FS7
- 6495K43
- 14H1006FS7


